HKCYX一次限流消諧器說明書
一 次 消 諧 器(HKCYX)
使
用
說
明
書
安徽徽凱創電力保護設備有限公司
概述
在中性點非有效接地系統中,一般接有電磁式電壓互感器(以下簡稱PT)。為了測量三相對地電壓和監視對地絕緣,PT的中性點直接接地。由于PT低壓側負載很小,從高壓側對地看入的等效勵磁感抗很大,在某些切換操作或接地故障消失之后,PT的等效勵磁感抗將與系統對地等效電容構成特殊的諧振回路,激發起各種諧波的鐵磁諧振過電壓,引起PT飽和,由于PT熔斷器不能有效熔斷數百至數千毫安的飽和勵磁電流,最終導致PT燒損,PT柜、避雷器爆炸,母線短路、沖擊主變、威脅工作人員人身安全等事故。
工作原理
為了防止電磁式電壓互感器鐵磁諧振的發生,在PT中性點串入阻尼電阻,可以達到消除諧振的目的。理想的阻尼電阻,在正常運行狀態下為0,不改變PT的零序回路,因此不會影響互感器的測量精度,也不會放大中性點不平衡電壓;在諧振發生時,電阻趨于∞,相當于互感器不接地,也就破壞了零序諧振回路。
將一次限流消諧器串聯安裝在PT中性點與地之間,正常運行狀態下電阻為千歐左右,而PT一次繞組的阻抗為兆歐級,因此不會對PT的各項性能產生影響,同時也不會明顯改變系統的各項參數。當PT發生諧振時鐵芯飽和,一次繞組激磁電流增加,一次限流消諧器電阻快速增長,能夠較好的發揮出阻尼作用。而且諧振能量越大,一次限流消諧器的消諧時間越短,對設備的絕緣更為有利。
型號命名及參數
HKCYX一次限流消諧器型號命名如下:
|
型號命名 |
最大電壓 |
最大電流 |
|
HKCYX-6 |
6kV |
200mA |
|
HKCYX-10 |
10kV |
|
|
HKCYX-35 |
35kV |
特點
一次限流消諧器結構簡單、體積小巧,安裝方便,運行可靠;
在正常運行條件下,一次限流消諧器呈現低阻,不改變電壓互感器的運行工況,對互感器的測量精度不會產生影響。發生PT鐵磁諧振時,一次限流消諧器因快速呈現高阻而實現快速消諧;
能夠實現連續快速消諧,諧振過電壓幅值越大,消諧時間越短;
能夠限制電壓互感器一次繞組的激磁電流突增,防止因電壓互感器一次繞組電流增加,熔斷器熔斷后因能量不足不能滅弧引發的母線短路事故。
一次限流消諧器的安裝使用
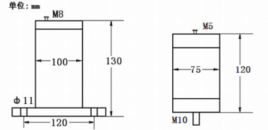
安裝尺寸圖
HKCYX-35KV 安裝尺寸 HKCYX-10KV(6KV)安裝尺寸
裝置接線示意圖
用戶在正常使用情況下,從安裝使用之日起12個月,或發貨之日起18個月期限內,產品由于質量原因而發生損壞和不能正常工作,廠家無償為用戶更換。
- 上一篇:HKCDX系列小電流選線裝置使用說明書
- 下一篇:沒有啦

